超越離合器廣泛應用在煙草機械的商標紙涂膠器中,產品多種多樣,單向超越離合器、雙向超越離合器等,今天根據超越離合器的下圖我們詳細來講解一下。
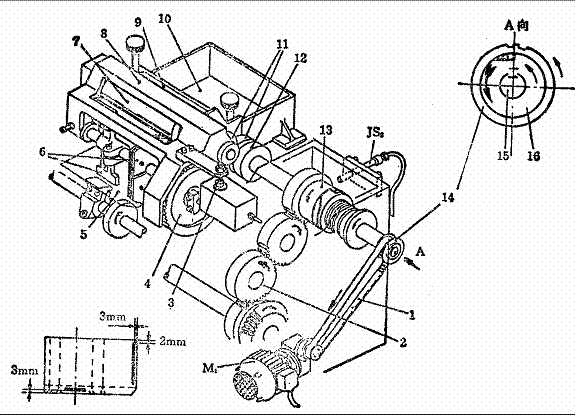
1.同步帶2.過渡齒輪3.氣缸4.齒輪5.商標紙6.涂膠輪7.上膠輥8.擺動架9.下膠輥10.膠缸 11.齒輪 12.聯軸器 13.齒輪 14.同步帶輪 15.軸 16.超越離合器(單向)
商標紙涂膠器由膠缸10、涂膠輪6、上膠輥7、下膠輥9、齒輪4和11、擺動架8等零件組成。其主要作用是在商標紙的底邊和側邊涂膠,以便裹包成形后兩翼和底部的粘結。工作原理:在商標紙傳動箱內,由過渡齒輪2驅動齒輪13,使牙嵌離合器的直齒嚙合,逆時針轉動,由圖中A 向視圖可見,此時軸15 是按粗箭頭方向轉動。商標紙涂膠器電動機M1的輸出端采用蝸桿傳動,具有自鎖性,這就要求同步帶輪14 不能轉動,所以在同步帶輪內安裝單向超越離合器16,保證軸15轉動時不帶動同步帶輪轉動。軸15通過聯軸器12、齒輪11及齒輪4的轉動,分別帶動下膠輥9和上膠輥7及涂膠輪6,轉動著的下膠輥從膠缸10內帶起厚薄不勻的膠層。經過上膠輥與下膠輥的擠壓,使上膠輥粘附上厚薄均勻的膠層。同時,經過涂膠輪與上膠輥的相對滾動,涂膠輪即可從上膠輥上獲得厚薄均勻的膠層,并涂至商標紙上。涂膠的位置和尺寸,如圖2-121所示。涂膠位置可以通過松開相應的固定螺釘,對兩上膠器進行周向或軸向調節以達到要求。
商標紙涂膠器電動機M1的作用
電動機M1 的作用是在停車時帶動上、下兩膠輥和涂膠輪轉動,防止膠水干結,以便再次起動時能正常工作。當機器在操作者或安全裝置引起停車的情況下,間隔一定的時間后(該時間由定時器控制),擺動架8由氣缸3推頂,并繞上膠輥7轉動,使涂膠輪6與商標紙5脫離接觸。同時,電動機M1起動,并獨立驅動涂膠器。電動機M1的動力經蝸輪箱帶動同步帶1傳動后,由同步帶輪14按圖中A向視圖的細箭頭驅動單向超越離合器16轉動,并通過鍵連接,帶動軸15,使涂膠器轉動。此時,牙嵌離合器是斜面嚙合,離合器打滑,齒輪13就不轉動,這樣就保證了停車時電動機M1獨立驅動涂膠器。
上一條:單向離合器的作用及功能詳解






