特性及應用:
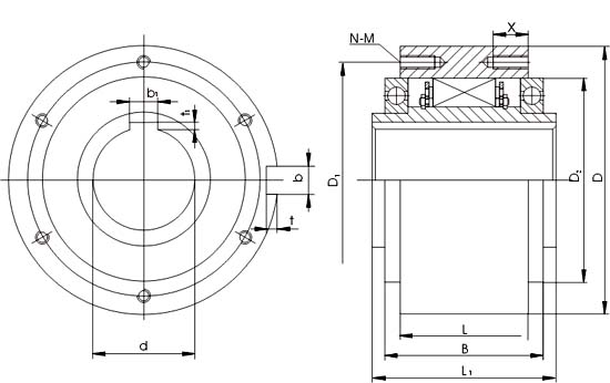
CKZF-A為有軸承非接觸式單向離合器。使用2只60系列軸承支撐。內環超載旋轉,公有內環被設計具有單向功能。出廠時含有潤滑脂。
內外環有鍵槽,端面帶螺孔,可安裝于垂直或水平方位位置。
用于高速工況下防止逆轉或超運轉速度應用例。
|
型 號 |
額定扭矩 |
超越極限轉速 |
外形尺寸〔mm〕 |
重量 |
|||||||||||
|
nmin |
nmax |
d(H7) |
D(h7) |
D1 |
D2 |
L |
L1 |
B |
n-m |
X |
b×t |
b1×t1 |
|||
|
CKZF-A30100 |
250 |
780 |
6000 |
30 |
100 |
87 |
75 |
51 |
68 |
60.5 |
6-M6 |
10 |
8×4.0 |
8×3.3 |
2.3 |
|
CKZF-A35110 |
300 |
740 |
6000 |
35 |
110 |
96 |
80 |
53 |
74 |
63 |
6-M6 |
12 |
10×5.0 |
10×3.3 |
3.2 |
|
CKZF-A40125 |
450 |
720 |
5000 |
40 |
125 |
108 |
90 |
62 |
86 |
73 |
6-M8 |
14 |
12×5.5 |
12×3.3 |
4.3 |
|
CKZF-A45130 |
510 |
665 |
5000 |
45 |
130 |
112 |
95 |
62 |
86 |
73 |
8-M8 |
14 |
14×5.5 |
14×3.8 |
5.0 |
|
CKZF-A50150 |
820 |
610 |
4000 |
50 |
150 |
132 |
110 |
73 |
94 |
86 |
8-M8 |
14 |
14×5.5 |
14×3.8 |
7.5 |
|
CKZF-A55160 |
900 |
600 |
4000 |
55 |
160 |
138 |
115 |
73 |
104 |
86 |
8-M10 |
16 |
16×6.0 |
16×4.3 |
9.0 |
|
CKZF-A60170 |
1100 |
490 |
3200 |
60 |
170 |
150 |
125 |
91 |
114 |
105 |
10-M10 |
16 |
18×7.0 |
18×4.4 |
12.7 |
|
CKZF-A70190 |
1500 |
480 |
3200 |
70 |
190 |
165 |
140 |
108 |
134 |
124 |
10-M10 |
16 |
20×7.5 |
20×4.9 |
14.5 |
|
CKZF-A80210 |
2500 |
450 |
2400 |
80 |
210 |
185 |
160 |
106 |
144 |
124 |
10-M10 |
16 |
22×9.0 |
22×5.4 |
19.0 |
|
CKZF-A90230 |
3300 |
420 |
2400 |
90 |
230 |
206 |
180 |
114 |
158 |
143 |
10-M12 |
20 |
22×9.0 |
22×5.4 |
29.5 |
|
CKZF-A100270 |
5800 |
455 |
2000 |
100 |
270 |
240 |
210 |
121 |
182 |
153 |
10-M16 |
24 |
28×10 |
28×6.4 |
42.5 |
|
CKZF-A130310 |
8500 |
415 |
2000 |
130 |
310 |
278 |
240 |
169 |
212 |
194 |
12-M16 |
24 |
32×11 |
32×7.4 |
70.0 |
上一條:CKL-B型帶半聯軸器離合器
下一條:CKF-A型非接觸式超越離合器






