該系列可與齒輪、鏈輪、曲柄等聯結,但不能作聯軸器使用。定購時請注明自A向視之內環旋轉方向。
廣泛應用在印刷、包裝、紡織等設備上,實現超越、定位分度、逆止功能。
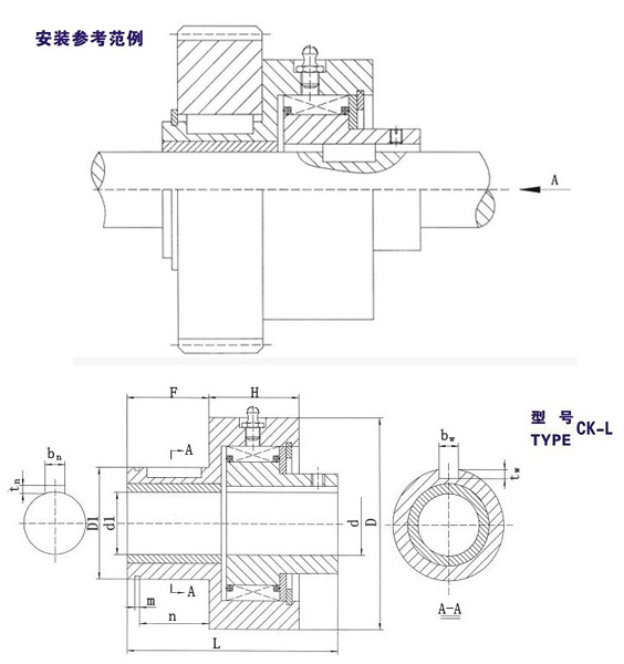
型號
額 定
扭 矩
超越轉速
外形尺寸〔mm〕
重量
內環
外環
d
d1〔F8〕
D
D1
F
H
L
m
n
bw×tw
bn×tn
CK-L1560
86
1260
765
15
15
60
26
25
32
70
1.3
21
4×2.5
4×1.5
0.58
CK-L2072
225
1050
680
20
20
72
42
33
38
82
1.7
29
6×3.5
6×2.8
1.17
CK-L2585
330
840
552.5
25
25
85
45
33
40
85
1.7
28
14×4.5
8×3.3
1.67
CK-L3085
330
840
550
30
30
85
48
35
35
85
1.7
31
8×4
8×3.3
1.78
CK-L3095
490
700
340
30
30
95
60
37
41
92
2.2
30
8×4
8×3.3
2.50
CK-L40115
900
560
255
40
40
115
65
37
50
100
2.7
30
12×5
12×3.3
3.60
CK-L45135
1240
490
255
45
45
135
75
41
54
112
2.7
35
14×5.5
14×3.8
6.00
〔r/min〕
〔kg〕
〔H7〕
〔h7〕
上一條:CKZ型楔塊式單向離合器
下一條:BS型單向離合器






