以質量求生存 以誠信求發展
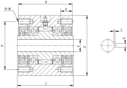
CKZ型為內含兩套軸承支撐的楔塊式超越離合器(逆止器)。適用于限轉速為600-1500r/min, 常用公稱轉矩為:180-8000N.m,轉矩曾生產過70000N.m的逆止器。
常用于包裝機、起重運輸機械、冶金機械、礦山機械、石油機械、化工機械、水泥機械、電站等,亦稱逆止器,在國內廣泛替代了美國的MG系列的MG600和MG700逆止器.
|
ZX |
型 號 |
公稱 轉矩 N.m |
內環超越限轉速 r/min |
外環 外徑D×寬B 內孔d×寬C |
外環螺紋孔 孔數N-M 及孔深X |
外環螺紋中心圓 直徑F |
內環鍵槽寬×深 b×t |
重量 kg |
|
1 |
CKZ75×47×14 |
180 |
1500 |
75×47 |
4-M6深12 |
61 |
5×2.3 |
1.35 |
|
2 |
CKZ80×64×20 |
200 |
1500 |
80×62 |
4-M6深12 |
68 |
5×2.4 |
1.50 |
|
3 |
CKZ90×62×20 |
260 |
1300 |
90×62 |
6-M8深12 |
76 |
6×2.8 |
1.95 |
|
4 |
CKZ90×50×25 |
260 |
1300 |
90×50 |
鍵槽 |
|
8×3.3 |
1.91 |
|
5 |
CKZ100×64×30 |
315 |
1200 |
100×64 |
6-M8-7H深12孔深14,均布 |
88 |
8×3.3 |
2.85 |
|
6 |
CKZ100×70×30 |
315 |
1200 |
100×68 |
6-M8-7H深12 孔深14,均布 |
88 |
7×2.7 |
3.04 |
|
7 |
CKZ100×70×30F2 |
315 |
1200 |
100×68 |
鍵槽 |
|
8×3.3 |
3.20 |
|
8 |
CKZ100×70×32 |
315 |
1200 |
100×68 |
6-M8深12 孔深15,均布 |
88 |
10×3.3 |
3.88 |
|
9 |
CKZ100×82×30 |
315 |
1200 |
100×80 |
6-M8-7H深12 孔深14,均布 |
88 |
10×3.3 |
3.30 |
|
10 |
CKZ100×82×30F2 |
315 |
1200 |
100×80 |
6-M8深15 |
88 |
10×3.3 |
4.54 |
|
11 |
CKZ108×89×31.8 |
500 |
1200 |
108×86 |
4-M8深15 |
92 |
6.35×3.2 |
4.85 |
|
12 |
CKZ108×89×31.5 |
500 |
1200 |
108×86 |
4-M8深15 |
92 |
10×3.3 |
4.79 |
|
13 |
CKZ108×89×31.5F2 |
500 |
1200 |
108×86 |
4-M8深15 |
92 |
7×3.0 |
4.85 |
|
14 |
CKZ110×78×35 |
500 |
1200 |
110×76 |
6-M6-7H深16 |
95 |
10×3.3 |
5.23 |
|
15 |
CKZ120×92×35 |
630 |
1200 |
120×90 |
8-M8-7H深20 |
105 |
10×3.3 |
6.28 |
|
16 |
CKZ120×92×38 |
630 |
1200 |
120×90 |
8-M8-7H深20 孔深25,均布 |
105 |
10×3.8 |
7.35 |
|
17 |
CKZ120×92×40 |
630 |
1200 |
120×28 |
通鍵槽 |
|
12×3.3 |
7.26 |
|
18 |
CKZ120×92×42 |
630 |
1200 |
120×90 |
8-M8-7H深20 孔深25,均布 |
105 |
12×3.3 |
5.96 |
|
19 |
CKZ120×92×42F2 |
630 |
1200 |
120×90 |
8-Φ9通孔,均布 |
105 |
12×3.3 |
5.86 |
|
20 |
CKZ120×92×42F3 |
630 |
1200 |
120×90 |
8-M8-7H深20 孔深25,均布 |
105 |
14×3.8 |
7.17 |
|
21 |
CKZ120×92×42F4 |
630 |
1200 |
120×90 |
通鍵槽 |
|
12×3.3 |
6.07 |
|
22 |
CKZ125×92×30 |
1000 |
1100 |
125×90 |
8-M8-7H深20 孔深25,均布 |
110 |
10×3.3 |
6.43 |
|
23 |
CKZ125×92×32 |
1000 |
1100 |
125×90 |
8-M8-7H深20 孔深25,均布 |
110 |
10×3.3 |
6.42 |
|
24 |
CKZ125×92×38 |
1000 |
1100 |
125×90 |
6-Φ9通孔, |
110 |
10×3.3 |
6.40 |
|
25 |
CKZ125×80×40 |
1000 |
1100 |
125×78 |
8-M8-7H深20 孔深25,均布 |
110 |
12×3.7 |
6.36 |
|
26 |
CKZ125×64×40 |
1000 |
1100 |
125×64 |
8-Φ9通孔, |
105 |
12×3.3 |
4.58 |
|
27 |
CKZ125×60×42 |
1000 |
1100 |
125×64 |
8-M8-7H深20 孔深25,均布 |
110 |
14×3.8 |
4.14 |
|
28 |
CKZ125×92×42 |
1000 |
1100 |
125×90 |
8-M8-7H深20 孔深25,均布 |
110 |
12×3.8 |
6.38 |
|
29 |
CKZ125×92×42F2 |
1000 |
1100 |
125×90 |
8-M8-7H深20 孔深25,均布 |
110 |
14×3.8 |
6.38 |
|
30 |
CKZ125×92×45 |
1000 |
1100 |
125×90 |
8-M8-7H深20 孔深25,均布 |
110 |
14×3.8 |
6.13 |
|
31 |
CKZ125×92×45F2 |
1000 |
1100 |
125×90 |
鍵槽 |
|
14×3.8 |
6.13 |
|
32 |
CKZ125×92×48 |
1000 |
1100 |
125×90 |
通鍵槽 |
|
14×3.8 |
6.10 |
|
33 |
CKZ130×92×30 |
630 |
1100 |
130×90 |
4-Φ9通孔, |
110 |
8×3.3 |
9.08 |
|
34 |
CKZ130×92×38 |
630 |
1100 |
130×90 |
4-Φ11通孔 |
110 |
10×3.3 |
8.77 |
|
35 |
CKZ130×74×40 |
1200 |
1100 |
130×58 |
6-M8-7H深16 孔深18,均布 |
115 |
14×3.8 |
6.94 |
|
36 |
CKZ130×86×45 |
1200 |
1100 |
130×53 |
8-M8-7H深20 孔深25,均布 |
112 |
14×4.0 |
4.60 |
|
37 |
CKZ130×68×52 |
1200 |
1100 |
130×68 |
鍵槽 |
|
14×3.8 |
5.95 |
|
38 |
CKZ136×88×50 |
1800 |
1000 |
136×88 |
6-M8-7H深20 孔深25,均布 |
120 |
12×3.3 |
|
|
39 |
CKZ136×95×35 |
1800 |
1000 |
136×92 |
6-M8-7H深20 孔深25,均布 |
120 |
10×3.3 |
8.42 |
|
39+1 |
CKZ136×95×38 |
1800 |
1000 |
136×92 |
6-M8-7H深20 孔深25,均布 |
120 |
10×3.3 |
8.38 |
|
40 |
CKZ136×95×45 |
1800 |
1000 |
136×92 |
6-M8-7H深20 孔深25,均布 |
120 |
12×3.3 |
8.09 |
|
41 |
CKZ136×70×45 |
1800 |
1000 |
136×70 |
8-Φ9通孔, |
120 |
14×3.8 |
5.83 |
|
42 |
CKZ136×70×50 |
1800 |
1000 |
136×70 |
8-Φ9通孔, |
120 |
14×3.8 |
5.62 |
|
43 |
CKZ136×95×50 |
1800 |
1000 |
136×92 |
6-M8-7H深20 孔深25,均布 |
120 |
14×3.8 |
7.75 |
|
44 |
CKZ136×95×50F2 |
1800 |
1000 |
136×92 |
6-Φ9通孔, |
120 |
14×3.8 |
7.55 |
|
45 |
CKZ136×95×50F3 |
1800 |
1000 |
136×92 |
6-M8-7H深20 孔深25,均布 |
120 |
12×3.4 |
7.55 |
|
46 |
CKZ136.5×95×31.5 |
1800 |
1000 |
136.5×92 |
6-M8-7H深20 孔深25,均布 |
121 |
6.35×3.1 |
8.20 |
|
47 |
CKZ136.5×95×44.5 |
1800 |
1000 |
136.5×92 |
6-M8-7H深20 孔深25,均布 |
121 |
9.525×4.8 |
8.15 |
|
48 |
CKZ136.5×95×45 |
1800 |
1000 |
136.5×92 |
6-M8-7H深20 孔深25,均布 |
121 |
14×3.8 |
8.15 |
|
49 |
CKZ138×105×45 |
1800 |
1000 |
138×101 |
6-M8-7H深20 孔深25,均布 |
120.6 |
12×6.6 |
11.02 |
|
50 |
CKZ145×102×8 |
2000 |
1000 |
145×100 |
6-M8-7H深20 孔深25,均布 |
130 |
14×3.8 |
11.77 |
|
51 |
CKZ145×102×50 |
2000 |
1000 |
145×100 |
6-M8-7H深20 孔深25,均布 |
130 |
14×3.8 |
11.65 |
|
52 |
CKZ145×102×55 |
2000 |
1000 |
145×100 |
6-M8-7H深20 孔深25,均布 |
130 |
14×3.8 |
11.31 |
|
53 |
CKZ145×102×55F2 |
2000 |
1000 |
145×100 |
8-Φ9通孔,均布 |
130 |
16×4.8 |
11.31 |
|
54 |
CKZ150×102×48 |
2000 |
1000 |
150×100 |
8-M8-7H深20 孔深25,均布 |
130 |
16×4.3 |
12.70 |
|
55 |
CKZ150×102×50 |
2000 |
1000 |
150×100 50×102 |
8-M8-7H深20 孔深25,均布 |
130 |
14×3.8 |
12.57 |
|
56 |
CKZ150×86×55 |
2000 |
1000 |
150×86 55×86 |
8-Φ9通孔, |
130 |
16×4.3 |
11.00 |
|
57 |
CKZ150×102×55 |
2000 |
1000 |
150×100 55×102 |
8-M8-7H深20 孔深25,均布 |
130 |
16×4.3 |
12.25 |
|
58 |
CKZ150×102×60 |
2000 |
1000 |
150×100 60×102 |
8-M8-7H深20 孔深25,均布 |
130 |
18×4.4 |
11.88 |
|
59 |
CKZ155×102×55 |
2100 |
1000 |
155×110 55×102 |
8-M8-7H深20 孔深25,均布 |
140 |
16×4.3 |
10.06 |
|
60 |
CKZ155×102×66 |
2100 |
1000 |
155×100 60×102 |
8-M8-7H 深20 孔深25,均布 |
140 |
18×4.4 |
10.02 |
|
61 |
CKZ160×71.5×45 |
2100 |
1000 |
160×71.5 45×71.5 |
6-M8-7H 深26 孔深30,均布 |
140 |
12×4.5 |
11.50 |
|
62 |
CKZ160×112×60 |
2600 |
1000 |
160×110 60×112 |
8-M8-7H 深20 孔深25,均布 |
145 |
18×4.4 |
13.07 |
|
63 |
CKZ160×112×65 |
2600 |
1000 |
160×110 65×112 |
8-M8-7H 深20 孔深25,均布 |
145 |
18×4.4 |
12.65 |
|
64 |
CKZ165×92×45 |
2200 |
1000 |
165×90 45×92 |
6-Φ9 通孔 均布 |
135 |
14×3.8 |
11.45 |
|
64+1 |
CKZ165×110×50 |
2600 |
1000 |
165×108 50×110 |
8-M12-7H 深20 孔深25,均布 |
145 |
14×3.8 |
13.90 |
|
65 |
CKZ170×112×65 |
2700 |
1000 |
170×110 65×112, |
6-M10-7H 深20孔深25,均布 |
150 |
18×4.4 |
14.88 |
|
66 |
CKZ170×92×70 |
2200 |
1000 |
170×90 70×92 |
6-M10-7H 深20 孔深25,均布 |
150 |
18×4.4 |
13.61 |
|
67 |
CKZ170×112×70 |
2700 |
1000 |
170×110 70×112 |
6-M10-7H 深20 孔深25,均布 |
150 |
20×4.9 |
14.42 |
|
68 |
CKZ180×128×45 |
2500 |
1000 |
180×124 45×128 |
6-M10-7H 深20 孔深25,均布 |
158 |
14×3.8 |
19.75 |
|
69 |
CKZ180×95×50 |
2500 |
1000 |
180×95 50×95 |
6-M10-7H深20 孔深25,均布 |
158 |
14×3.8 |
17.51 |
|
70 |
CKZ180×128×55 |
2500 |
900 |
180×124 55×128 |
6-M10-7H 深20 孔深25,均布 |
158 |
16×4.3 |
18.85 |
|
71 |
CKZ180×128×60 |
2800 |
900 |
180×124 60×128 |
6-M10-7H 深20 孔深25,均布 |
158 |
18×4.4 |
18.46 |
|
72 |
CKZ180×128×65 |
2800 |
900 |
180×124 65×128 |
8-M10-7H 深20 孔深25,均布 |
158 |
18×4.4 |
22.23 |
|
73 |
CKZ181×127×74.5 |
2500 |
900 |
181×124 74.5×127 |
8-M10-7H 深25 孔深30,均布 |
159 |
15.8×3.2 |
21.30 |
|
74 |
CKZ185×112×65 |
2500 |
900 |
185×110 65×112 |
6-M12-7H 深25 孔深30,均布 |
164 |
18×4.4 |
21.50 |
|
75 |
CKZ190×124×60 |
2550 |
900 |
190×124 60×124 |
6-M10-7H 深25 孔深30,均布 |
170 |
20×4.9 |
24.50 |
|
76 |
CKZ190×124×65 |
2550 |
900 |
190×124 65×124 |
6-M10-7H 深25 孔深30,均布 |
170 |
18×4.4 |
24.37 |
|
77 |
CKZ190×128×65 |
2850 |
800 |
190×124 65×128 |
6-M10-7H 深20 孔深25,均布 |
170 |
18×4.4 |
22.37 |
|
78 |
CKZ190×124×70F2 |
2500 |
800 |
190×124 70×124 |
6-M10-7H 深25 孔深30,均布 |
170 |
20×4.9 |
23.85 |
|
78+1 |
CKZ190×124×70F2 |
2500 |
800 |
190×124 70×124 |
6-M8-7H 深25 |
170 |
18×4.4 |
23.85 |
|
79 |
CKZ190×128×70 |
2850 |
800 |
190×124 70×128 |
6-M10-7H 深20 孔深25,均布 |
170 |
20×4.9 |
20.01 |
|
80 |
CKZ200×128×65 |
2900 |
800 |
200×124 65×128 |
6-M10-7H 深20 孔深25,均布 |
175 |
18×4.4 |
22.93 |
|
81 |
CKZ200×150×65 |
2600 |
800 |
200×150 65×150 |
6-M10-7H 深25 孔深30,均布 |
175 |
18×4.4 |
29.00 |
|
82 |
CKZ200×150×65F2 帶端蓋 |
2600 |
800 |
200×150 65×150 |
6-M10-7H 深25 孔深30,均布 |
175 |
18×4.4 |
29.00 |
|
83 |
CKZ200×128×70 |
2900 |
800 |
200×124 70×128 |
6-M10-7H 深20 孔深25,均布 |
175 |
20×4.9 |
22.51 |
|
84 |
CKZ210×116×48 |
2900 |
800 |
210×116 48×116 |
6-Φ11 |
175 |
16×5.3 |
26.00 |
|
85 |
CKZ210×132×65 |
3000 |
800 |
210×128 65×132 |
6-M10-7H 深20 孔深25,均布 |
185 |
18×4.4 |
26.55 |
|
86 |
CKZ210×132×70 |
3000 |
800 |
210×128 70×132 |
6-M12-7H深25孔深30,均布 |
185 |
20×4.9 |
25.14 |
|
86+1 |
CKZ210×115×70 |
3000 |
800 |
210×128 |
6-M12-7H深25 孔深30,均布 |
185 |
18×6.0 |
23.60 |
|
87 |
CKZ220×120×85 |
3000 |
800 |
220×115 85×120 |
12-M12-7H 深20 孔深25,均布 |
195 |
20×4.9 |
|
|
88 |
CKZ230×120×60 |
3150 |
800 |
230×120 60×120 |
12-M12-7H 深25 孔深30,均布 |
205 |
18×4.4 |
3.15 |
|
89 |
CKZ230×120×70 |
3150 |
800 |
230×120 70×120 |
8-M8-7H 深25 孔深30,均布 |
205 |
20×4.9 |
35.51 |
|
90 |
CKZ230×132×70 |
3150 |
800 |
230×128 70×132 |
8-M12-7H 深25 孔深30,均布 |
205 |
20×4.9 |
30.78 |
|
91 |
CKZ230×120×75 |
3150 |
800 |
230×120 75×120 |
8-M12-7H 深25 孔深30,均布 |
205 |
20×4.9 |
29.70 |
|
92 |
CKZ230×132×75 |
3150 |
800 |
230×128 75×132 |
8-M12-7H 深25 孔深30,均布 |
205 |
20×4.9 |
30.31 |
|
93 |
CKZ230×120×80 |
3150 |
800 |
230×120 80×120 |
8-M12-7H深25 孔深30,均布 |
205 |
22×5.4 |
29.25 |
|
94 |
CKZ230×132×80 |
3150 |
800 |
230×128 80×132 |
8-M12-7H 深25 孔深25,均布 |
205 |
22×5.4 |
29.82 |
|
95 |
CKZ230×120×85 |
3150 |
800 |
230×120 85×120 |
8-M12-7H 深25 孔深30,均布 |
205 |
24×5.4 |
33.79 |
|
96 |
CKZ230×120×90 |
3150 |
800 |
230×120 90×120 |
8-M12-7H 深25 孔深30,均布 |
205 |
25×5.4 |
33.15 |
|
97 |
CKZ238×120×70 |
3150 |
800 |
238×120 70×120 |
8-M10 25×9 ( L=100 ) |
210 |
2-16×3.4 |
35.00 |
|
98 |
CKZ245×120×100 |
4000 |
800 |
245×120 100×120 |
6-M12 28×10 |
218 |
28×6.4 |
36.00 |
|
99 |
CKZ248×140×80 |
4000 |
800 |
248×138 80×140 |
6-M16-7H深50 孔深55,均布 |
210 |
22×5.4 |
40.10 |
|
100 |
CKZ250×140×80 |
3150 |
700 |
250×136 80×140 |
8-M12-7H 深20 孔深25,均布 |
225 |
22×5.4 |
40.12 |
|
101 |
CKZ250×140×90 |
5600 |
700 |
250×136 90×140 |
8-M12-7H 深20 孔深25,均布 |
225 |
22×5.4 |
38.91 |
|
102 |
CKZ270×115×90 |
7000 |
700 |
270×115 90×110 |
6-M16-7H 深40 孔深45,均布 |
220 |
24×8.0 |
38.00 |
|
103 |
CKZ300×160×100 |
8000 |
600 |
300×156 100×160 |
6-M8-7H 深12 孔深15,均布 |
260 |
28×6.4 |
67.08 |
|
104 |
CKZ300×160×110 |
8000 |
600 |
300×156 110×160 |
8-M16-7H 深20 孔深25,均布 |
260 |
28×6.4 |
65.32 |
安裝參考范例
上一條:沒有了
下一條:CK-L型單向離合器






