CKN型楔塊式單向離合器
CKN型號為楔塊式單向離合器,內含軸承支撐及油封。
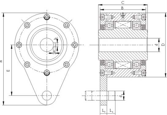
傳遞扭矩的端蓋和安裝在其上的止動銷應與工作機壁上的孔連為一體,止動銷與孔的配合間隙為止動銷直徑的1%。
端蓋為組裝式的,用戶可自行選擇旋轉方向。
此型號主要適用于防止逆向功能,象皮帶輸出機及斗式提升機等。
傳遞扭矩的端蓋和安裝在其上的止動銷應與工作機壁上的孔連為一體,止動銷與孔的配合間隙為止動銷直徑的1%。
端蓋為組裝式的,用戶可自行選擇旋轉方向。
此型號主要適用于防止逆向功能,象皮帶輸出機及斗式提升機等。
| 型號 |
額定 扭矩 (N.m) |
超越極限轉速 [r/min] |
外形尺寸[mm] |
重量 [kg] |
|||||||||
|
D [H7] |
D | B | C | E | H | L1 | L2 | D1 | bxt | ||||
| CKN1262 | 44 | 1200 | 12 | 62 | 42 | 44 | 44 | 87 | 10 | 14 | 10 | 4×1.8 | 1.40 |
| CKN1568 | 100 | 1200 | 15 | 68 | 52 | 54 | 47 | 93 | 10 | 14 | 10 | 6×2.8 | 1.80 |
| CKN2075 | 145 | 1000 | 20 | 75 | 58 | 60 | 54 | 105 | 10 | 14 | 12 | 6×2.8 | 2.30 |
| CKN2590 | 230 | 900 | 25 | 90 | 60 | 62 | 62 | 123 | 14 | 18 | 16 | 8×3.3 | 3.40 |
| CKN30100 | 400 | 800 | 30 | 100 | 68 | 70 | 68 | 135 | 14 | 18 | 16 | 10×3.3 | 4.50 |
| CKN35110 | 580 | 700 | 35 | 110 | 74 | 76 | 78 | 155 | 18 | 22 | 20 | 10×3.3 | 5.60 |
| CKN40125 | 820 | 600 | 40 | 125 | 86 | 88 | 85 | 170 | 18 | 22 | 20 | 12×3.3 | 8.50 |
| CKN45130 | 900 | 600 | 45 | 130 | 86 | 88 | 90 | 180 | 22 | 26 | 25 | 14×3.8 | 8.90 |
| CKN50150 | 1700 | 500 | 50 | 150 | 94 | 96 | 102 | 205 | 22 | 26 | 25 | 16×4.3 | 12.80 |
| CKN55160 | 2100 | 500 | 55 | 160 | 104 | 106 | 108 | 220 | 25 | 30 | 32 | 16×4.3 | 16.2 |
| CKN60170 | 2800 | 400 | 60 | 170 | 114 | 116 | 112 | 232 | 25 | 30 | 32 | 18×4.4 | 19.3 |
| CKN70190 | 4600 | 400 | 70 | 190 | 134 | 136 | 135 | 268 | 30 | 35 | 38 | 20×4.9 | 23.5 |
| CKN80210 | 6800 | 300 | 80 | 210 | 144 | 146 | 145 | 290 | 30 | 35 | 38 | 22×5.4 | 32.0 |
| CKN90230 | 11600 | 300 | 90 | 230 | 158 | 160 | 155 | 320 | 40 | 45 | 50 | 25×5.4 | 47.2 |






