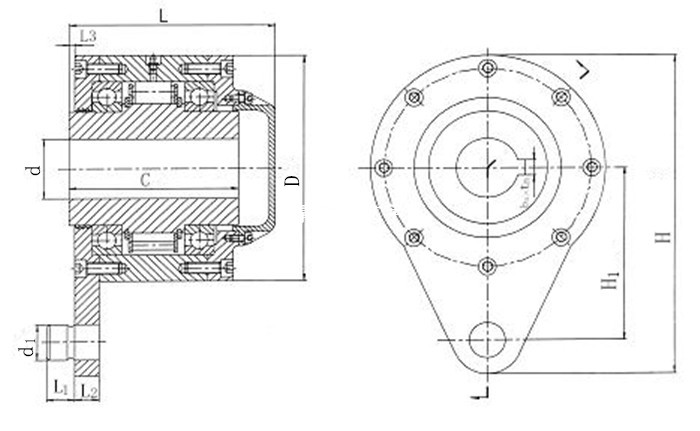
NF型非接觸式逆止器它是安裝在高速軸上的防逆轉裝置,其巧妙地利用特殊形狀楔塊的離心力及其與內、外環之間的特殊幾何關系以實現其正向運行時,主要構件非接觸無磨損運轉,反向又能可靠逆止的新型逆止裝置。該逆止器廣泛用于運輸機械、提升機、刮板輸送機及其它有逆止要求的機械設備中。該產品具有逆止功效大,可靠性高。使用壽命長、重量輕、安裝維護方便等優點,其綜合性能明顯優于其它逆止器。 我公司生產的NF型逆止器,其技術性能完全符合JB/T9015-1999的規定,同時, 為了便于用戶的安裝,我廠還供應帶防轉座的非接觸式逆止器,型號為NFG。
工作原理:
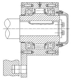
在逆止器內部,有多個異形塊分布在由內、外圈所形成的滾道中,當內圈正向運轉時,帶動異形塊一起旋轉,當轉速在一定范圍內時,異形塊在離心力的作用下發生偏轉,與內、外圈脫離接觸,從而實現無磨損運轉。當內圈反向運轉時,在彈簧的作用下使異形塊與內、外圈接觸,并將其楔緊成一體,從而承受由內圈轉送來的反向力矩。(見產品選用中的基本形式:非接觸式單向離合器。)
選用原則:
1.NF系列Te≥Tc。
2.逆止器安裝軸伸的轉速應小于或等于該逆止器最高轉速。
3.根據逆止器安裝軸伸選定逆止器安裝孔徑。
4.面對逆止器安裝軸伸端頭,確定逆止器的旋向代號,順時針選“S”,反之選“N”
5.最大質量為同一規格中孔徑最小時的質量。
6.有特殊要求請與我公司聯系,我公司可按貴司要求,設計、制作非標產品。
|
型 號 |
額定 扭矩(N.m) |
最低 轉速[r/min] |
最高轉速 |
配 合 尺 寸[mm] |
重量 |
||||||||||
|
dmax [H7] |
dmin [H7] |
C |
d1 |
D |
H |
H1 |
L |
L1 |
L2 |
L3 |
|||||
|
NF10 |
1000 |
450 |
1500 |
50 |
40 |
145 |
28 |
190 |
273 |
150 |
173 |
25 |
20 |
5 |
27 |
|
NF16 |
1600 |
60 |
45 |
150 |
32 |
208 |
295 |
160 |
182 |
22 |
31 |
||||
|
NF25 |
2500 |
425 |
70 |
50 |
155 |
38 |
230 |
323 |
170 |
190 |
25 |
38 |
|||
|
NF40 |
4000 |
80 |
60 |
166 |
42 |
245 |
350 |
185 |
207 |
28 |
30 |
49 |
|||
|
NF63 |
6300 |
400 |
90 |
70 |
180 |
45 |
260 |
370 |
195 |
221 |
30 |
35 |
62 |
||
|
NF80 |
8000 |
100 |
80 |
185 |
48 |
275 |
396 |
210 |
226 |
35 |
35 |
73 |
|||
|
NF100 |
10000 |
375 |
110 |
90 |
220 |
52 |
295 |
425 |
225 |
261 |
45 |
98 |
|||
|
NF125 |
12500 |
130 |
100 |
250 |
58 |
330 |
473 |
250 |
296 |
40 |
50 |
8 |
154 |
||
|
NF160 |
16000 |
1000 |
140 |
110 |
260 |
62 |
360 |
512 |
270 |
306 |
55 |
175 |
|||
|
NF200 |
20000 |
350 |
150 |
120 |
260 |
65 |
400 |
565 |
300 |
306 |
50 |
58 |
214 |
||
|
NF250 |
25000 |
160 |
130 |
270 |
70 |
430 |
620 |
335 |
316 |
63 |
256 |
||||
| d | 40~45 | >40~50 | >50~58 | >58~65 | >65~75 | >75~85 | >85~95 | >95~110 | >110~130 | >130~150 | >150~160 |
| b×t | 12×3.3 | 14×3.8 | 16×4.3 | 18×4.4 | 20×4.9 | 22×5.4 | 25×5.4 | 28×6.4 | 32×7.4 | 36×8.4 | 40×9.4 |
上一條:CK-N型
下一條:CKL-A楔塊式單向離合器






