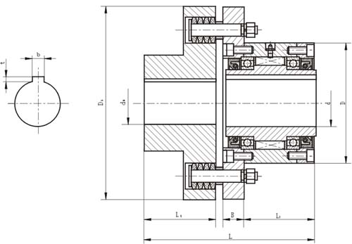
CKL-A系列為帶半聯軸器(彈性套柱銷聯軸器)的楔塊式單向離合器 ,內含軸承支撐及油封。
出廠時內含潤滑油。
內環與半聯軸器通過鍵聯結到相對軸上。
該系列廣泛用于包裝,礦山,冶金,水泥,電力等機械上。常用作超越離合器和中低速傳
動系統中雙速驅動的切換裝置。
安裝要求:
此型號離合器對應聯軸器許用補償量參考國標(GB/T4323-1984)LT型聯軸器標準,并
與離合器扭矩組成一一對應關系。
安裝時兩軸的徑向位移和角位移要符合國標要求。
型號
額定扭矩
超越極限轉速
外形尺寸〔mm〕
重量
外環
內環
d〔H7〕
Dk(H7)
D
D1
L
L1
L2
B
bn×tn
CKL-A1252
44
2125
2100
12
12~25
52
97
90.0
35
42
13.0
2×1.0
3.0
CKL-A1568
90
1615
2100
15
15~30
68
112
110.0
40
52
18.0
3×1.4
4.4
CKL-A2075
98
1360
1960
20
15~30
75
118
114.5
40
56
14.0
3×1.4
4.6
CKL-A2590
230
1190
1610
25
20~40
90
130
127.5
50
60
17.5
4×1.8
6.4
CKL-A30100
400
1105
1470
30
20~50
100
160
146.0
60
66
20.0
5×2.3
11
CKL-A35110
580
935
1330
35
25~65
110
190
168.0
75
74
19.0
6×2.8
17
CKL-A40125
820
807.5
1190
40
25~65
125
190
178.0
75
86
17.0
6×2.8
19
CKL-A45130
840
765
1120
45
25~65
130
190
178.0
75
86
17.0
6×2.8
19
CKL-A48150
1400
730
1000
48
25~65
150
225
207.0
90
88
25.0
14×3.8
31.5
CKL-A50150
1400
722.5
980
50
30~75
150
225
207.0
90
92
25.0
14×3.8
31
CKL-A55160
1600
612
910
55
35~90
160
270
233.5
100
104
29.5
16×4.3
47
CKL-A60170
2200
578
840
60
35~90
170
270
244.0
94
114
30.0
18×4.4
49
CKL-A70170
2200
578
840
70
35~90
170
270
267
117
114
30.0
20×4.9
48
CKL-A70190
4500
493
770
70
45~110
190
340
312.5
140
134
38.5
20×4.9
90
CKL-A75190
4500
493
770
75
50~120
190
340
312.5
140
134
35.0
20×4.9
88
CKL-A80210
6800
408
630
80
55~125
210
380
340.0
160
142
35.0
22×5.4
107
CKL-A90230
11000
323
595
90
65~140
230
440
369.0
160
159
50.0
25×6.4
170
CKL-A95230
11000
323
595
95
70~145
230
440
379.0
160
175
35.0
25×5.4
165
CKL-A100270
16000
297.5
525
100
76~160
270
500
422.5
200
182
40.5
28×6.4
230
CKL-A75170
2200
578
840
75
35~90
170
270
291
140
114
30.0
20×4.9
46
〔r/min〕
〔kg〕
安裝參考范例







