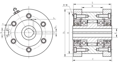
CKZ-C系列為楔塊式單向離合器 ,內含兩套滾珠軸承支撐。依照不同需要,出廠時內含潤滑油或潤滑脂。
內環與軸,外環與工件,用鍵聯結,用兩端蓋夾緊傳動工件。
常用在紡織機械,化工機械,食品機械,包裝機械、印刷機械等其他機械設備上。用作超越或定位送料離合器。
|
型號 |
額定
扭矩 |
超越轉速 |
外形尺寸〔mm〕 |
重量 |
|||||||||
|
外環尺寸 |
內環尺寸 |
其他尺寸 |
|||||||||||
|
內環 |
外環 |
D(h7) |
B |
n-M |
bw×tw |
d |
|
bn×tn |
D1 |
L |
|||
|
CKZ-C1262 |
92 |
840 |
510 |
62 |
26 |
6-M5 |
4×2.5 |
12 |
50 |
4×1.8 |
70 |
48 |
0.95 |
|
CKZ-C1568 |
115 |
840 |
510 |
68 |
26 |
6-M6 |
4×2.5 |
15 |
50 |
4×1.8 |
76 |
48 |
1.13 |
|
CKZ-C2075 |
158 |
700 |
425 |
75 |
27 |
6-M5 |
5×3.0 |
20 |
51 |
4×1.8 |
83 |
49 |
1.40 |
|
CKZ-C25100 |
448 |
630 |
340 |
100 |
33 |
6-M8 |
6×3.5 |
25 |
57 |
6×2.8 |
104 |
55 |
3.07 |
|
CKZ-C30120 |
530 |
560 |
340 |
120 |
35 |
6-M8 |
12×5 |
30 |
63 |
12×3.3 |
130 |
61 |
4.68 |
|
CKZ-C35130 |
920 |
490 |
255 |
130 |
37 |
6-M8 |
12×5 |
35 |
65 |
12×3.3 |
140 |
63 |
5.75 |
|
CKZ-40140 |
1516 |
420 |
212.5 |
140 |
43 |
6-M8 |
12×5 |
40 |
74 |
12×3.3 |
150 |
72 |
7.67 |
|
CKZ- 45150 |
1500 |
420 |
212.5 |
150 |
48 |
6-M8 |
14×5.5 |
45 |
78 |
14×3.8 |
160 |
76 |
9.74 |
|
CKZ-C50170 |
2350 |
350 |
170 |
170 |
51 |
6-M8 |
16×6.0 |
50 |
84 |
16×4.3 |
180 |
82 |
13.34 |
|
CKZ-C60190 |
3100 |
280 |
170 |
190 |
55 |
6-M8 |
18×7.0 |
60 |
94 |
18×4.4 |
200 |
92 |
17.71 |
|
CKZ-C80200 |
3960 |
210 |
127.5 |
200 |
60 |
6-M10 |
18×7.0 |
80 |
98 |
18×4.4 |
210 |
96 |
19.98 |
|
CKZ-C110250 |
7000 |
180 |
110 |
250 |
104 |
8-M8 |
32×11 |
110 |
146 |
32×7.4 |
262 |
144 |
50.12 |
|
CKZ-C110320 |
10000 |
130 |
80 |
320 |
115 |
8-M20 |
28×10 |
110 |
180 |
28×6.4 |
330 |
175 |
81.98 |
下一條:CKZF非接觸式單向離合器






