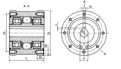
CKZF型為帶軸承非接觸式單向楔塊超越離合器。它是利用楔塊的離心力及其與外環之間的特殊幾何關系以實現“超越”傳動,當內環轉速達到310-20r/min時,楔塊與內、外環滾道非接觸、無磨損運轉,反向逆止可靠。適用于極限轉達速為:400-1500r/min,公稱轉矩為:400-25000N.m常與減速機配套用于運輸機械、提升機、冶金機械、礦山機械、水泥機械、高溫風機、電站設備等,一般用于中、高速傳動。
|
|||||||||||||||
|
序 |
型號 |
公稱 |
螺釘 |
最小 |
最高 |
外 環 |
內環 |
質量 |
|||||||
|
D |
兩端各 |
螺栓 |
寬 |
內徑 |
鍵槽 |
寬 |
|||||||||
|
1 |
CKZF165×125-25 |
400 |
10 |
480 |
1500 |
165 |
8-M8×20 |
145 |
125 |
25 |
8×3.3 |
125 |
20.51 |
||
|
2 |
CKZF170×130-25 |
500 |
12 |
470 |
1500 |
170 |
8-M8×20 |
150 |
130 |
25 |
8×3.3 |
130 |
22.68 |
||
|
3 |
CKZF170×130-30 |
500 |
12 |
470 |
1500 |
170 |
8-M8×20 |
150 |
130 |
30 |
8×3.3 |
130 |
22.46 |
||
|
4 |
CKZF175×130-30 |
600 |
14 |
450 |
1500 |
175 |
8-M8×20 |
155 |
130 |
30 |
8×3.3 |
130 |
23.84 |
||
|
5 |
CKZF175×130-35 |
600 |
14 |
450 |
1500 |
175 |
8-M10×20 |
155 |
130 |
35 |
10×3.3 |
130 |
23.58 |
||
|
6 |
CKZF185×130-35 |
800 |
18 |
430 |
1500 |
185 |
8-M10×25 |
162 |
130 |
35 |
10×3.3 |
130 |
26.46 |
||
|
7 |
CKZF185×130-40 |
800 |
18 |
430 |
1500 |
185 |
8-M10×25 |
162 |
130 |
40 |
12×3.3 |
130 |
24.16 |
||
|
8 |
CKZF190×135-32 |
1000 |
22 |
420 |
1500 |
190 |
8-M10×25 |
168 |
135 |
32 |
10×3.3 |
135 |
28.13 |
||
|
9 |
CKZF190×135-38 |
1000 |
22 |
420 |
1500 |
190 |
8-M10×25 |
168 |
135 |
38 |
10×3.3 |
135 |
27.79 |
||
|
10 |
CKZF190×135-40 |
1000 |
22 |
420 |
1500 |
190 |
8-M10×25 |
168 |
135 |
40 |
12×3.3 |
135 |
27.67 |
||
|
11 |
CKZF190×135-42 |
1000 |
22 |
420 |
1500 |
190 |
8-M10×25 |
168 |
135 |
42 |
12×3.3 |
135 |
27.54 |
||
|
12 |
CKZF190×135-45 |
1000 |
22 |
420 |
1500 |
190 |
8-M10×25 |
168 |
135 |
45 |
14×3.8 |
135 |
27.33 |
||
|
13 |
CKZF190×135-50 |
1000 |
22 |
420 |
1500 |
190 |
8-M10×25 |
168 |
135 |
50 |
14×3.8 |
135 |
26.95 |
||
|
14 |
CKZF195×145-40 |
1250 |
25 |
400 |
1500 |
195 |
8-M10×25 |
172 |
145 |
40 |
12×3.3 |
145 |
32.59 |
||
|
15 |
CKZF195×145-45 |
1250 |
25 |
400 |
1500 |
195 |
8-M10×25 |
172 |
145 |
45 |
14×3.8 |
145 |
32.21 |
||
|
16 |
CKZF195×145-50 |
1250 |
25 |
400 |
1500 |
195 |
8-M10×25 |
172 |
145 |
50 |
14×3.8 |
145 |
31.78 |
||
|
17 |
CKZF195×145-55 |
1250 |
25 |
400 |
1500 |
195 |
8-M10×25 |
172 |
145 |
55 |
16×4.3 |
145 |
31.31 |
||
|
18 |
CKZF205×145-40 |
1400 |
26 |
400 |
1500 |
205 |
10-M10×25 |
182 |
145 |
40 |
12×3.3 |
145 |
36.61 |
||
|
19 |
CKZF205×145-45 |
1400 |
26 |
400 |
1500 |
205 |
10-M10×25 |
182 |
145 |
45 |
14×3.8 |
145 |
35.78 |
||
|
20 |
CKZF205×145-50 |
1400 |
26 |
400 |
1500 |
205 |
10-M10×25 |
182 |
145 |
50 |
14×3.8 |
145 |
35.34 |
||
|
21 |
CKZF205×145-55 |
1600 |
26 |
400 |
1500 |
205 |
10-M10×25 |
182 |
145 |
55 |
16×4.3 |
145 |
34.18 |
||
|
22 |
CKZF208×150-45 |
1600 |
27 |
400 |
1500 |
208 |
10-M10×25 |
185 |
150 |
45 |
14×3.8 |
150 |
38.16 |
||
|
23 |
CKZF208×150-48 |
1600 |
27 |
400 |
1500 |
208 |
10-M10×25 |
185 |
150 |
48 |
14×3.8 |
150 |
37.90 |
||
|
24 |
CKZF208×150-50 |
1600 |
27 |
400 |
1500 |
208 |
10-M10×25 |
185 |
150 |
50 |
14×3.8 |
150 |
37.72 |
||
|
25 |
CKZF208×150-55 |
1600 |
27 |
400 |
1500 |
208 |
10-M10×25 |
185 |
150 |
55 |
16×4.3 |
150 |
37.24 |
||
|
26 |
CKZF208×150-60 |
1600 |
27 |
400 |
1500 |
208 |
10-M10×25 |
185 |
150 |
60 |
18×4.4 |
150 |
36.71 |
||
|
27 |
CKZF220×150-50 |
2000 |
30 |
400 |
1500 |
220 |
10-M10×25 |
195 |
150 |
50 |
14×3.8 |
150 |
42.48 |
||
|
28 |
CKZF220×150-55 |
2000 |
30 |
400 |
1500 |
220 |
10-M10×25 |
195 |
150 |
55 |
16×4.3 |
150 |
41.99 |
||
|
29 |
CKZF220×150-60 |
2000 |
30 |
400 |
1500 |
220 |
10-M10×25 |
195 |
150 |
60 |
18×4.4 |
150 |
41.46 |
||
|
30 |
CKZF220×150-65 |
2000 |
30 |
400 |
1500 |
220 |
10-M10×25 |
195 |
150 |
65 |
18×4.4 |
150 |
40.88 |
||
|
31 |
CKZF230×150-50 |
2500 |
32 |
390 |
1500 |
230 |
12-M10×25 |
205 |
150 |
50 |
14×3.8 |
150 |
46.65 |
||
|
32 |
CKZF230×150-55 |
2500 |
32 |
390 |
1500 |
230 |
12-M10×25 |
205 |
150 |
55 |
16×4.3 |
150 |
46.16 |
||
|
33 |
CKZF230×150-60 |
2500 |
32 |
390, |
1500 |
230 |
12-M10×25 |
205 |
150 |
60 |
18×4.4 |
150 |
45.63 |
||
|
34 |
CKZF230×150-65 |
2500 |
32 |
390 |
1500 |
230 |
12-M10×25 |
205 |
150 |
65 |
18×4.4 |
150 |
45.05 |
||
|
35 |
CKZF230×150-70 |
2500 |
32 |
390 |
1500 |
230 |
12-M10×25 |
205 |
150 |
70 |
20×4.9 |
150 |
44.42 |
||
|
36 |
CKZF245×160-60 |
4000 |
52 |
380 |
1500 |
245 |
12-M12×25 |
218 |
160 |
60 |
18×4.4 |
160 |
55.70 |
||
|
37 |
CKZF245×160-65 |
4000 |
52 |
380 |
1500 |
245 |
12-M12×25 |
218 |
160 |
65 |
18×4.4 |
160 |
55.09 |
||
|
38 |
CKZF245×160-70 |
4000 |
52 |
380 |
1500 |
245 |
12-M12×25 |
218 |
160 |
70 |
20×4.9 |
160 |
54.42 |
||
|
39 |
CKZF245×160-75 |
4000 |
52 |
380 |
1500 |
245 |
12-M12×25 |
218 |
160 |
75 |
20×4.9 |
160 |
53.70 |
||
|
40 |
CKZF245×160-80 |
4000 |
52 |
380 |
1500 |
245 |
12-M12×25 |
218 |
160 |
80 |
22×5.4 |
160 |
52.93 |
||
|
41 |
CKZF260×160-70 |
6300 |
95 |
370 |
1500 |
260 |
12-M14×25 |
230 |
160 |
70 |
20×4.9 |
160 |
61.90 |
||
|
42 |
CKZF260×160-75 |
6300 |
95 |
370 |
1500 |
260 |
12-M14×25 |
230 |
160 |
75 |
20×4.9 |
160 |
61.18 |
||
|
43 |
CKZF260×160-80 |
6300 |
95 |
370 |
1500 |
260 |
12-M14×25 |
230 |
160 |
80 |
22×5.4 |
160 |
60.42 |
||
|
44 |
CKZF260×160-85 |
6300 |
95 |
370 |
1500 |
260 |
12-M14×25 |
230 |
160 |
85 |
22×5.4 |
160 |
59.60 |
||
|
45 |
CKZF260×160-90 |
6300 |
95 |
370 |
1500 |
260 |
12-M14×25 |
230 |
160 |
90 |
22×5.4 |
160 |
58.74 |
||
|
46 |
CKZF275×170-80 |
8000 |
110 |
370 |
1500 |
275 |
12-M14×25 |
245 |
170 |
80 |
22×5.4 |
170 |
72.61 |
||
|
47 |
CKZF275×170-85 |
8000 |
110 |
370 |
1500 |
275 |
12-M14×25 |
245 |
170 |
85 |
22×5.4 |
170 |
71.75 |
||
|
48 |
CKZF275×170-90 |
8000 |
110 |
370 |
1500 |
275 |
12-M14×25 |
245 |
170 |
90 |
25×5.4 |
170 |
70.83 |
||
|
49 |
CKZF275×170-95 |
8000 |
110 |
370 |
1500 |
275 |
12-M14×25 |
245 |
170 |
95 |
25×5.4 |
170 |
69.86 |
||
|
50 |
CKZF275×170-100 |
8000 |
110 |
370 |
1500 |
275 |
12-M14×25 |
245 |
170 |
100 |
28×6.4 |
170 |
68.63 |
||
|
51 |
CKZF295×185-90 |
10000 |
140 |
370 |
1500 |
295 |
12-M16×30 |
260 |
185 |
90 |
25×5.4 |
185 |
90.09 |
||
|
52 |
CKZF295×185-95 |
10000 |
140 |
370 |
1500 |
295 |
12-M16×30 |
260 |
185 |
95 |
25×5.4 |
185 |
89.03 |
||
|
53 |
CKZF295×185-100 |
10000 |
140 |
370 |
1500 |
295 |
12-M16×30 |
260 |
185 |
100 |
28×6.4 |
185 |
87.92 |
||
|
54 |
CKZF295×185-110 |
10000 |
140 |
370 |
1500 |
295 |
12-M16×30 |
260 |
185 |
110 |
28×6.4 |
185 |
85.46 |
||
|
55 |
CKZF330×200-100 |
12500 |
170 |
350 |
1500 |
330 |
12-M16×30 |
295 |
200 |
100 |
28×6.4 |
200 |
121.95 |
||
|
56 |
CKZF330×200-110 |
12500 |
170 |
350 |
1500 |
330 |
12-M16×30 |
295 |
200 |
110 |
28×6.4 |
200 |
119.36 |
||
|
57 |
CKZF330×200-120 |
12500 |
170 |
350 |
1500 |
330 |
12-M16×30 |
295 |
200 |
120 |
32×6.4 |
200 |
116.53 |
||
|
58 |
CKZF330×200-130 |
12500 |
170 |
350 |
1500 |
330 |
12-M16×30 |
295 |
200 |
130 |
32×6.4 |
200 |
113.44 |
||
|
59 |
CKZF360×215-110 |
16000 |
215 |
350 |
1500 |
360 |
12-M18×30 |
320 |
215 |
110 |
28×6.4 |
215 |
155.75 |
||
|
60 |
CKZF360×215-120 |
16000 |
215 |
350 |
1500 |
360 |
12-M18×30 |
320 |
215 |
120 |
32×7.4 |
215 |
152.7 |
||
|
61 |
CKZF360×215-130 |
16000 |
215 |
350 |
1500 |
360 |
12-M18×30 |
320 |
215 |
130 |
32×7.4 |
215 |
149.39 |
||
|
62 |
CKZF360×215-140 |
16000 |
215 |
350 |
1500 |
360 |
12-M18×30 |
320 |
215 |
140 |
36×8.4 |
215 |
145.81 |
||
|
63 |
CKZF410×225-120 |
20000 |
230 |
350 |
1500 |
410 |
16-M20×30 |
360 |
225 |
120 |
32×7.4 |
225 |
213.21 |
||
|
64 |
CKZF410×225-130 |
20000 |
230 |
350 |
1500 |
410 |
16-M20×30 |
360 |
225 |
130 |
32×7.4 |
225 |
209.75 |
||
|
65 |
CKZF410×225-140 |
20000 |
230 |
350 |
1500 |
410 |
16-M20×30 |
360 |
225 |
140 |
36×8.4 |
225 |
206 |
||
|
66 |
CKZF410×225-150 |
20000 |
230 |
350 |
1500 |
410 |
16-M20×30 |
360 |
225 |
150 |
36×8.4 |
225 |
201.98 |
||
|
67 |
CKZF440×235-130 |
25000 |
240 |
310 |
1000 |
440 |
16-M20×30 |
390 |
235 |
130 |
32×7.4 |
235 |
256.01 |
||
|
68 |
CKZF440×235-140 |
25000 |
240 |
310 |
1000 |
440 |
16-M20×30 |
390 |
235 |
140 |
36×8.4 |
235 |
252.1 |
||
|
69 |
CKZF440×235-150 |
25000 |
240 |
310 |
1000 |
440 |
16-M20×30 |
390 |
235 |
150 |
36×8.4 |
235 |
247.9 |
||
|
70 |
CKZF440×235-160 |
25000 |
240 |
310 |
1000 |
440 |
16-M20×30 |
390 |
235 |
160 |
40×9.4 |
235 |
243.41 |
||
上一條:CKZ-C楔塊式單向離合器
下一條:MG型楔塊式單向離合器






